Uživatelské nástroje

Nástroje pro tento web


sim:manual:rozsirujici_moduly:sm2_di

7.4 SM2-DI


DI modul významně rozšiřuje počet digitálních vstupů hlavní jednotky a nabízí tak možnost připojení dalších zařízení.

Připojení digitálních vstupů

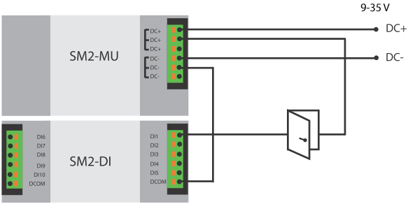
Modul SM2-DI disponuje 10 digitálními vstupy. Digitální vstupy DI připojíme obdobně jako vstupy u SM2-MU. Lze tak snadno připojit čidlo pohybu, bleskojistku, optickou závoru, dveřní senzor a libovolné další typy zařízení, která svůj stav signalizují kontaktním výstupem.

Jsou možné dva způsoby zapojení.

V prvním, je pro využití vstupů třeba propojit svorku DC- na SM2-MU s příslušnou svorkou DCOM na modulu SM2-DI. Jedna svorka DCOM náleží ke vstupům DI1–DI5 a druhá ke vstupům DI6–DI10. Pro sepnutí vstupu je třeba přivést signál DC+ z jednotky SM2-MU na patřičnou svorku modulu SM2-DI.



V případě druhého způsobu zapojení, tzn. že vstupy modulu SM2-DI využívají externí zdroj napájení, viz následující obrázek, je třeba dodržet, aby bylo přivedené napětí v rozmezí 8-80 V.



Spuštění a konfigurace

Jakmile jsou moduly spojeny a k Solar Monitoru je připojen napájecí zdroj, musí svítit zelená LED dioda Status. V opačném případě zkontrolujte spojení modulu s SM2-MU.

V internetovém prohlížeči si otevřete menu Nastavení systému / Vstupy a čítače

Zde u příslušného připojeného vstupu zvolte jaká je jeho povolená hodnota.


Je možné zvolit, zda se má při změně povolené hodnoty vstupu odeslat zpráva (Email, SMS). Pro zasílání SMS zpráv je třeba mít připojený modul SM2-GSM.

Technická specifikace DI modulu

Binární vstupy 2 x 5 vstupů s běžným Vcc a GND
Svorky max. průměr 1,5 mm²
Připojení HBUS
Rozměry 35,6 x 89,7 x 62,2 mm
Instalace DIN lišta
Napájení 12 – 24 V DC, max. 100 mA
Druh ochrany IP20
Teplotní rozsah -25 °C to +60 °C

sim/manual/rozsirujici_moduly/sm2_di.txt · Poslední úprava: 2024/09/05 09:56 autor: 127.0.0.1